Magnetický zadlabací zámek RICHTER pro kování bez spodních rozet EN.305.M.KL.60.22. (CE - černá mat)
Magnetický zadlabací zámek RICHTER pro kování bez spodních rozet EN.305.M.KL.60.22. (CE - černá mat)
Kat. číslo:
0208-45802
Doporučujeme koupit
Popis
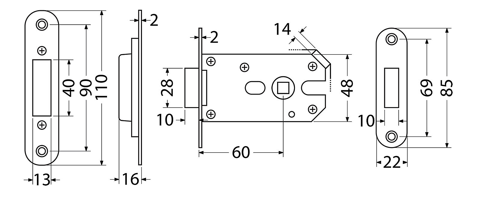
Magnetický zadlabací zámek pro kování bez spodních rozet (např. RK.S2.LIBERA)
- Ořech s jistící pružinou čtyřhranu
- Balení vč. nastavitelného protiplechu a 4 ks šroubů.
Hmotnost netto: 0,19 kg
Povrch čela: černá (CE)
Parametry
| Kování typ 1 | Zadlabací zámek |
|---|---|
| Kování typ 2 | Dveřní |
| Design | Moderní |
| Značka | Kování Richter |
| Povrchová úprava | RICHTER Černá matná |
| Záruka | 2 roky |


























































