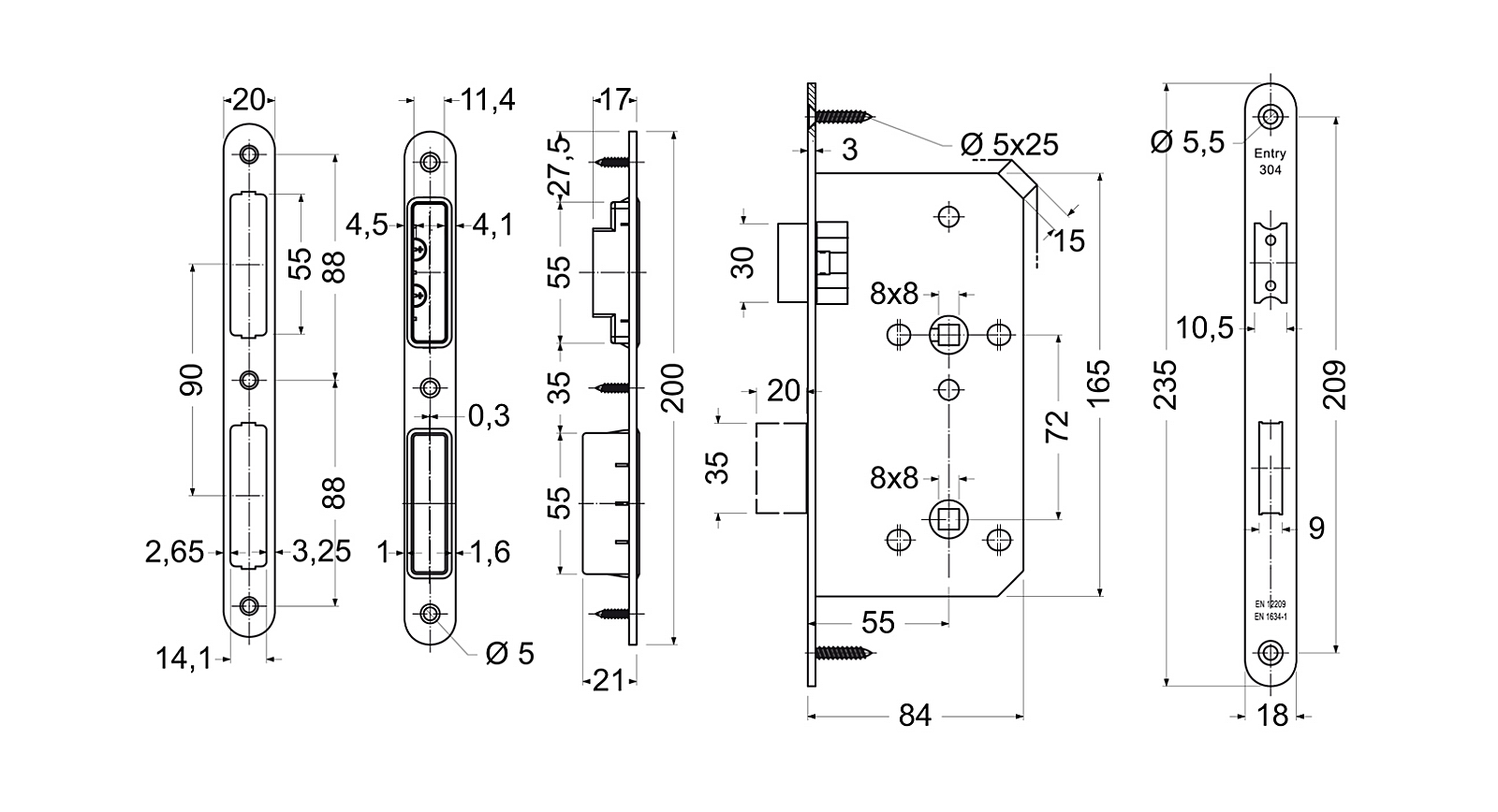
Zátěžový magnetický zadlabací zámek RICHTER EN.304M.WC.72.55.18
Zátěžový magnetický zadlabací zámek RICHTER EN.304M.WC.72.55.18
Kat. číslo:
0205-40333
Popis
Zátěžový magnetický zadlabací zámek pro WC KLIČKU
- Oddělená střelka a závora zámku
- Ořech s jistící pružinou čtyřhranu
- Závora dvouzápadová
- Balení vč. 5 ks šroubů a 1 ks nastavitelného protiplechu
- Hmotnost netto: 0,67 kg
- Povrch čela: nerez (N)
Parametry
| Kování typ 1 | Zadlabací zámek |
|---|---|
| Kování typ 2 | Dveřní |
| Značka | Kování Richter |
| Povrchová úprava - varianta | richter stříbná |
| Typ otvoru - varianta | WC klíč |
| Záruka | 2 roky |























































